-
當前位置:
首頁
- >
資訊中心
- >
行業資訊
- >
80A大電流MOS管,型號80N07參數適用鋰電池保護板!
80A大電流MOS管,型號80N07參數適用鋰電池保護板!
文章作者:飛虹電子
瀏覽量:6443
類型:行業資訊
日期:2021-03-13 11:13:37
分享:
究竟一款80A、70V的mos管可以適用于哪些場景來使用呢?今天我們就來分享一下究竟擁有80A、70V特性的場效應管還會有怎樣的參數特點,它可以應用于怎樣的行業場景電路中呢?
一般情況下,目前國內的很多電動車控制器跟鋰電池保護板都會使用80A、70V的MOS管,這樣的MOS管參數是比較適合應用的。
究竟為什么呢?別急,我們來詳細剖析了解下這樣的MOS管還會有怎樣的參數特點相信電子工程師的你們就清楚了。
接下來飛虹電子將以系列mos管產品型號科普的形式為廣大電動車行業的電子工程師介紹場效應管的參數、型號、電壓、電流、電阻等等方面。
這一款低壓MOS管,它具有80A、70V的大電流特性,它作為一款N溝道溝槽工藝MOS管,在它擁有80A、70V的特性,飛虹電子更推薦用于36V-48V/6管的電動車控制器和鋰電池保護板。
目前這一款80A、70V大流量、低電壓的MOS管是能夠匹配:STP80NF07F4、RU6888、HY1607這三款型號來替換使用于電路中。
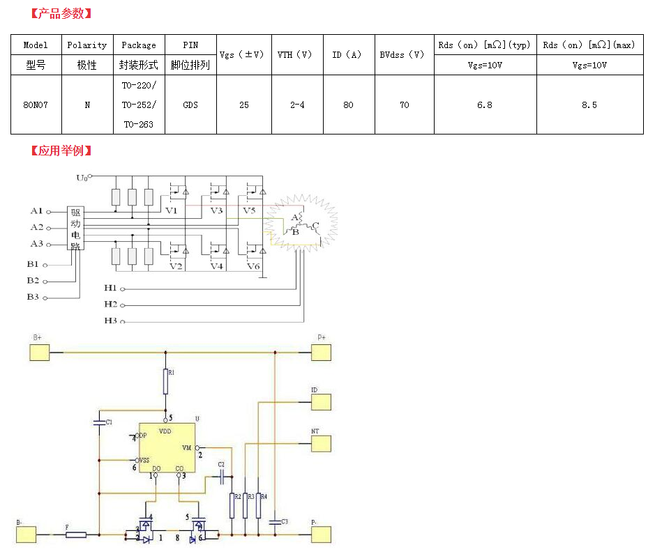
FHP80N07的主要封裝形式是TO-220、TO-252、TO-263,腳位排列位GDS。這款80N07場效應管產品具體參數:Vgs(±V):25;VTH(V):2-4;ID(A):80;BVdss(V):70。RDS (on) = 6.8mΩ(typ)@V GS =10V,80A大電流MOS管最大脈沖漏極電流可達:320A。
在80A、70V的大電流、低壓MOS管型中,推薦這一款純國產的80N07型號來應用于電動車行業中的控制器跟鋰電池保護板的電路中。
飛虹一直秉承著科技領先,勇于創新,貼近客戶需求的理念為電子國內以及全球電子廠商服務。同時在近幾年得到廣泛的推廣與應用,銷售量連續四年保持高速增長,80A大電流MOS管品牌影響力也在逐漸提高,致力打造國際一流品牌,為電子廠商提供優質的產品和服務!除提供免費試樣外,更可根據客戶需求進行量身定制MOS管產品。
直接百度輸入“飛虹MOS管廠家”即可找到我們,免費試樣熱線:400-831-6077。
熱門標簽:80A大電流MOS管