怎么從電路設計的角度來延長紫外線殺菌燈的使用壽命呢?這個問題對于紫外線殺菌燈廠家而言應該是蠻重要的。今天飛虹電子就來回答對于110W紫外線殺菌燈-電子鎮流器中的AC-DC開關電源驅動電路,要使用什么MOS管型才能適配電路這一問題。
其實對于110W紫外線殺菌燈的電子鎮流器中AC-DC開關電源驅動電路,我們推薦使用2個FHP13N50W。畢竟FHP13N50W是可以替代13N50等MOS管的產品型號參數。
為何?因為FHF13N50W具備低導通內阻、低柵極電荷、低Crss(典型值12pF)、開關速度快、100%經過雪崩測試、100%經過DVDS熱阻測試、100%經過RG測試、高抗dvldt能力、100%EAS測試(抗沖擊能力強)、RoHS產品、一致性好、可靠性高、屬于工業級產品。
從上述特點可知,這一款工業級的13A、500V電流、電壓的FHF13N50W場效應管型號參數非常適合110W紫外線殺菌燈-電子鎮流器。
當然,在實際應用中,我們研發的工程師一定要了解這款優質FHF13N50W國產場效應管的詳細參數:其具有13A、500V的電流、電壓, RDS(on) = 0.45Ω(MAX) @VGS = 10 V,替換13N50,FHP13N50W場效應管參數RDS(on) = 0.36Ω(TYP) @VGS = 10 V,最高柵源電壓@VGS =±30 V。
FHF13N50W場效應管,N溝道增強型(VDMOS)場效應管。該產品還可應用于高頻開關電源、電子鎮流器、逆變電源??商娲渌放菩吞枺?3N50。
FHF13N50W的封裝形式是TO-220F。這款產品參數:VTH(V):2-4;ID(A):13A;BVdss(V):500V、Vgs(±V):30;。
除上述產品參數外,替換13N50,FHP13N50W場效應管參數還有一個重要原因是:FHP13N50W可滿足IC和磁環不同驅動電路方案的漏氣、開關、老化測試。
因此對于110W紫外線殺菌燈的電子鎮流器中AC-DC開關電源驅動電路如何在元器件上面延長壽命,除選用13N50場效應管外,還可以用飛虹半導體的國產型號:FHP13N50W型號參數來替代。
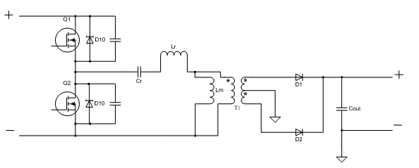
電子鎮流器中AC-DC開關電源的驅動電路具體的應用方案:一個電子鎮流器使用2只FHP13N50W。
飛虹電子主要經營場效應管、三極管等半導體器件。目前已取得美國GE、陽光照明、紐??怂?、雷士照明、易事特、茂碩、金萊特、華藝、佛山索爾等優質客戶的認可與應用。致力為國內及全球電子廠商提供優質的配套服務。除提供免費試樣外,更可根據客戶需求進行量身定制MOS管產品。
直接百度輸入“飛虹MOS管廠家”即可找到我們,免費試樣熱線:400-831-6077。
