【飛虹4410產品描述】
飛虹4410,N溝道溝槽工藝MOS管,適用于72V/24-30管電動車控制器電路。其它品牌替代型號:IRFB4410、10H16;
【飛虹4410產品特點】
內阻小,抗過電流能力好。
【飛虹4410產品參數】
|
Model |
Polarity |
Package |
PIN |
Vgs(±V) |
VTH(V) |
ID(A) |
BVdss(V) |
Rds(on)[mΩ](typ) |
Rds(on)[mΩ](max) |
|
型號 |
極性 |
封裝形式 |
腳位排列 |
Vgs=10V |
Vgs=10V |
||||
|
4410 |
N |
TO-220 |
GDS |
25 |
2-4 |
140 |
100 |
5.7 |
7.2 |
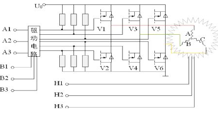
【飛虹4410應用舉例】
熱門標簽:FHP4410參數FHP4410規格書FHA4410
返回頂部
400-831-6077
在線留言